Регуляторы зазора
Трещетка тормозная механическая с 5 отверстиями
Назначение
Тормозная трещетка — ключевой элемент тормозной системы грузовых автомобилей и прицепов, обеспечивающий работу стояночного и аварийного тормозов. Предназначена для надежной фиксации транспортного средства на месте.
Технические характеристики
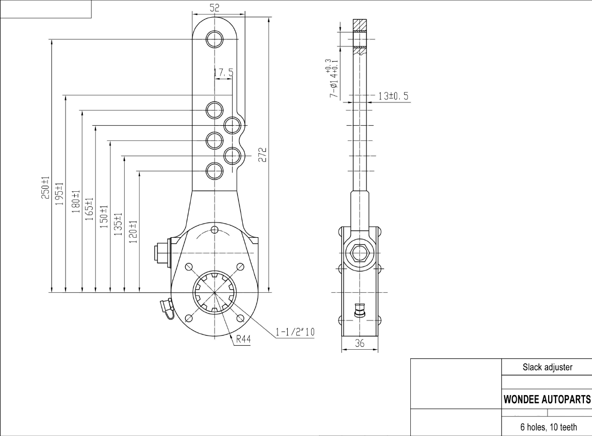
Количество отверстий: 5
Тип трещетки: механическая
Вес: 2,65-2,7 кг
Габариты: 25×14×10 см
Совместимость: BPW, Gigant, ROR
Направление установки: симметричное
Конструктивные особенности
Корпус из высокопрочной стали
Зубчатый механизм повышенной надежности
Защитное покрытие от коррозии
Усиленная конструкция для тяжелых условий эксплуатации
Точная передача тормозного усилия
Принцип работы
Механизм фиксации с зубчатым зацеплением
Плавное затягивание тормозного усилия
Надежная блокировка в заданном положении
Удобная регулировка положения
Преимущества
Высокая прочность конструкции
Длительный срок службы
Устойчивость к нагрузкам
Надежная фиксация тормозного механизма
Простота обслуживания
Области применения
Грузовые автомобили
Прицепы и полуприцепы
Коммерческий транспорт
Специализированная техника
Признаки износа
Заедание механизма
Неравномерное движение рычага
Повреждения зубьев
Самопроизвольное ослабление тормоза
Рекомендации по установке
Профессиональная установка в сервисном центре
Точная регулировка положения
Контроль надежности крепления
Проверка работоспособности механизма
Техническое обслуживание
Регулярный осмотр состояния механизма
Проверка плавности хода
Контроль износа зубьев
Своевременная замена при необходимости
Совместимость
Подходит для:
Прицепов BPW
Технических платформ Gigant
Полуприцепов ROR
Других транспортных средств с соответствующей системой крепления
Габаритный чертеж
01
Свяжитесь с нами любым удобным способом или оставьте заявку и мы Вам перезвоним.
03
Формируем и отправляем КП с ценой, сроками и условиями поставки.
05
Подписание договора и внесение оплаты.
02
Наш сотрудник проконсультирует Вас по всем вопросам и подберёт оптимальное решение.
04
Согласовываем коммерческое предложение, при необходимости корректируем.
06
Поставка оборудования и оформление документов.
Хочу получать информацию о новостях и скидках от вашей компании

ЕСТЬ ВОПРОСЫ? ОСТАВЬТЕ ЗАЯВКУ
Мы свяжемся с вами в течение 10 минут. Ответим на все ваши вопросы, поможем подобрать оптимальное решение и предложим подходящее оборудование.
МЫ НАХОДИМСЯ ПО АДРЕСУ:
456300 Россия , Челябинская область, г.Миасс, ул. Тургоякское шоссе, д. 5/4










